INFO@MEHPRIVOD.RU
ООО Мехтехника
Тел.: 8 (800) 505-36-88

Электродвигатели Siemens типа 1LA7

Электродвигатели Siemens типа 1LA7

Электродвигатели Siemens 1LA7 позиционируются как самые популярные на рынке России и всего мирового пространства. Универсальное устройство электродвигателя говорит о возможности их успешного применения для решения большинства приводных задач. Производятся Siemens 1LA7 мощностью от 0,06 до 18,5кВт, габариты от 56 до 160. Электродвигатели этого класса отличаются рядом преимуществ, основными из которых являются: компактные размеры, высокие показатели КПД, максимально объективная подтвержденная на практике эффективность, при работе с оборудованием обеспечивается безопасность обслуживающего персонала. Также стоит отметить возможность индивидуального исполнения, которое будет соответствовать конкретным требованиям заказчика. Интересно знать, что представители этой серии электродвигателей в состоянии покрыть более 95% потребностей различных сфер и отраслей промышленности, что и наблюдается в настоящий момент. Надежность узлов и элементов проверяется на каждом этапе разработки идеи и ее внедрении.  Сложно найти более оправданное и рентабельное решение для приводных задач.

Цена: от 3 230 руб.

Многоскоростные электродвигатели

P1/P2, (кВт) Габарит Тип N1/N2, (об/мин) I1,(А) I2,(А) Формула 750 Формула 1500  Формула 750  Формула 1500  Формула 750  Формула 1500 J,(Формула) M, (кг)
8/4 пол, 750/1500 об/мин, 50Гц.
0.1/0,5 80 1LA7080-0BB 680/1375 0.57 1.28 1.4 1.7 2.3 4.1 1.7 1.8 0.0015 8.0
0.15/0.7 80 1LA7083-0BB 685/1380 0.77 1.76 1.4 1.8 2.4 4.2 1.7 1.8 0.0018 9.4
0.22/1 90S 1LA7090-0BB 695/1370 1.25 2.4 1.3 1.5 2.4 3.7 1.8 2.0 0.0028 12.3
0.33/1.5 90L 1LA7096-0BB 700/1380 1.8 3.3 1.5 1.8 2.6 4.2 1.8 2.0 0.0035 15.6
0.5/2 100L 1LA7106-0BB 700/1400 2.5 4.25 1.1 1.9 3.1 5.2 1.8 2.1 0.0048 24.0
0.65/2.5 100L 1LA7107-0BB 700/1400 2.8 5.3 1.1 1.9 3.1 5.4 1.8 2.1 0.0058 26.0
0.9/3.6 112M 1LA7113-0BB 710/1435 4.5 8.0 1.6 2.6 3.2 6.5 2.4 2.6 0.011 31.0
1.1/4.7 132S 1LA7130-0BB 720/1455 3.3 10.3 2.0 2.3 4.3 6.4 2.5 2.9 0.018 42.0
1.4/6.4 132M 1LA7133-0BB 720/1455 4.4 13.3 2.2 1.9 4.6 6.8 2.7 2.5 0.024 56.0
2.2/9.5 160M 1LA7163-0BB 725/1465 6.5 19.7 1.7 2.0 4.1 7.0 2.0 2.6 0.040 77.0
3.3/14 160L 1LA7166-0BB 730/1470 9.3 28.6 2.0 2.6 4.7 8.1 2.2 3.1 0.054 93.0
6/4 пол, 1000/1500 об/мин, 50Гц.
0.12/0.4 80 1LA7080-1BD 940/1430 0.51 1.38 1.7 1.7 2.8 4.0 1.8 2.0 0.0015 8.0
0.18/0.55 80 1LA7083-1BD 930/1420 0.73 1.62 1.5 1.7 2.5 4.0 1.8 2.0 0.0018 9.4
0.29/08 90S 1LA7090-1BD 950/1430 1.05 2.1 1.5 1.5 3.4 4.3 2.0 2.0 0.0028 12.3
0.38/1.1 90L 1LA7096-1BD 955/1430 1.35 2.65 1.8 1.8 3.8 4.9 2.3 2.3 0.0035 15.6
0.6/1.7 100L 1LA7106-1BD 950/1420 1.75 3.8 1.8 1.8 4.2 5.2 2.2 2.2 0.0048 24.0
0.7/2.1 100L 1LA7107-1BD 950/1420 2.30 4.55 1.6 1.9 3.9 5.2 2.0 2.2 0.0058 26.0
0.9/3 112M 1LA7113-1BD 980/1450 3.0 6.7 2.0 2.1 4.5 6.1 2.5 2.5 0.011 35.0
1.2/3.9 132S 1LA7130-1BD 975/1460 3.5 8.4 1.9 1.7 5.1 6.1 2.5 2.2 0.018 42.0
1.7/5.4 132M 1LA7133-1BD 975/1460 4.55 11.4 2.1 1.9 5.1 6.6 2.6 2.5 0.024 56.0
2.5/7.2 160M 1LA7163-1BD 980/1470 6.4 14.4 1.9 2.0 5.6 7.3 1.9 2.0 0.040 77.0
3.7/12 160L 1LA7166-1BD 980/1470 9.3 23.3 1.9 2.4 5.7 8.1 2.3 3.0 0.054 93.0
4/2 пол, 1000/1500 ~ 1500/3000 об/мин, 50Гц.
0.1/0.15 63 1LA7060-0AA 1330/2650 0.41 0.51 1.8 1.8 2.7 2.9 1.8 1.8 0.0003 3.5
0.15/0.2 63 1LA7063-0AA 1330/2700 0.51 0.58 2.0 2.0 3.0 3.3 2.0 2.0 0.0004 4.1
0.21/0.28 71 1LA7070-0AA 1330/2700 0.70 1.1 1.6 1.6 3.0 3.1 1.8 1.8 0.0006 4.8
0.3/0.43 71 1LA7073-0AA 1330/2770 0.89 1.3 1.8 1.8 3.7 3.8 2.0 2.0 0.0008 6.0
0.48/0.6 80 1LA7080-0AA 1390/2810 1.25 1.6 1.7 1.7 3.9 4.0 2.0 2.0 0.0015 8.0
0.7/0.85 80 1LA7083-0AA 1390/2810 1.75 2.1 1.8 1.8 4.3 4.3 2.1 2.1 0.0018 9.4
1.1/1.4 90S 1LA7090-0AA 1390/2810 2.7 3.6 1.6 1.8 4.2 4.3 1.9 2.0 0.0028 12.3
1.5/1.9 90L 1LA7096-0AA 1390/2845 3.4 4.5 1.9 1.9 4.9 5.3 2.0 2.1 0.0035 12.6
2/2.4 100L 1LA7106-0AA 1400/2850 4.3 5.7 1.8 1.8 5.0 5.5 2.0 2.1 0.0048 24.0
2.6/3.1 100L 1LA7107-0AA 1400/2850 5.5 7.6 2.3 2.4 5.6 5.6 2.4 2.4 0.0058 26.0
3.7/4.4 112M 1LA7113-0AA 1420/2855 8.0 10.5 2.0 2.2 5.6 5.8 2.2 2.3 0.011 35.0
4.7/5.9 132S 1LA7130-0AA 1450/2920 9.8 12.5 1.7 1.6 6.3 6.5 2.2 2.2 0.018 42.0
6.5/8 132M 1LA7133-0AA 1450/2930 13.6 16.7 2.0 2.1 6.9 7.5 2.5 2.6 0.024 56.0
9.3/11.5 160M 1LA7163-0AA 1455/2930 18.3 23.4 2.0 1.8 9.7 7.4 2.6 2.4 0.040 77.0
13/17 160L 1LA7166-0AA 1455/2930 25.6 32.0 2.5 2.8 7.6 8.5 3.0 3.0 0.054 93.0

ТАБЛИЦА 1. Многоскоростные электродвигатели

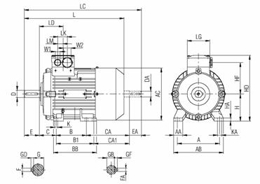
Габаритные и присоединительные размеры электродвигателя 1LA7 с 56 по 90 габарит (IMB3 - лапы)

РИС 1. Габаритные и присоединительные размеры электродвигателя 1LA7 с 56 по 90 габарит (IMB3 - лапы)

Н A AA AB AC B B1 BB C CA CA1 HA HD HF K KA
56 90 25 110 116 71 - 87 36 53 - 6 157 77.5 5.8 9
63 100 27 120 118 80 - 96 40 66 - 7 164 77.5 7 10
71 112 30.5 132 139 90 - 106 45 83 - 7 182 87.5 7 10
80 125 30.5 150 156.5 100 - 118 50 94 - 8 200 96.5 9.5 13.5
90 140 30.5 165 173.6 100 125 143 56 143 118 10 218 104.5 10 14

ТАБЛИЦА 2.

Н L LC LD LG LK W1 W2 D DA E EA F FA G GB GD GF
56 169 200 69.5 75 32 M16X1.5 M25X1.5 9 9 20 20 3 3 7.2 7.2 3 3
63 202.5 232 69.5 75 32 M16X1.5 M25X1.5 11 11 23 23 4 4 8.5 8.5 4 4
71 240 278 63.5 75 32 M16X1.5 M25X1.5 14 14 30 30 5 5 11 11 5 5
80 273.5 324 63.5 75 32 M16X1.5 M25X1.5 19 19 40 40 6 6 15.5 15.5 6 6
90 331 389 79 75 32 M16X1.5 M25X1.5 24 19 50 40 8 6 20 15.5 7 6

ТАБЛИЦА 3.

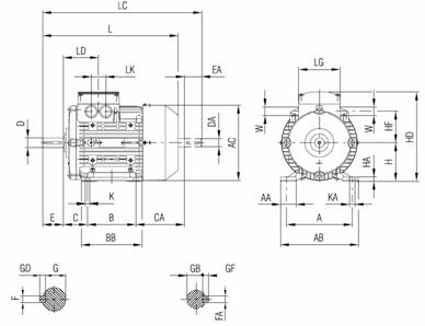
Габаритные и присоединительные размеры электродвигателя 1LA7 с 56 по 90 габарит (IMB5 - фланец)

РИС 2. Габаритные и присоединительные размеры электродвигателя 1LA7 с 56 по 90 габарит (IMB5 - фланец)

Типоразмер AC HF HG L LA LB LC LD LF LG LK M N
56 FF100 116 77.5 101 169 8 149 200 69.5 - 75 32 100 80
63 FF115 118 77.5 101 202 8 179 232 69.5 208.5 75 32 115 95
71 FF130 139 87.5 111 240 9 210 278 63.5 239 75 32 130 110
80 FF165 156.5 95.5 120 272.5 10 232.5 324 63.5 262.5 75 32 165 130
90 FF165 173.6 104.5 128 331 10 281 389 79 333 75 32 165 130

ТАБЛИЦА 4.

Н P S T W1 W2 D DA E EA F FA G GB GD GF
56 120 7 3 M16X1.5 M25X1.5 9 9 20 20 3 3 7.2 7.2 3 3
63 140 10 3 M16X1.5 M25X1.5 11 11 23 23 4 4 8.5 8.5 4 4
71 160 10 3.5 M16X1.5 M25X1.5 14 14 30 30 5 5 11 11 5 5
80 200 12 3.5 M16X1.5 M25X1.5 19 19 40 40 6 6 15.5 15.5 6 6
90 200 12 3.5 M16X1.5 M25X1.5 24 19 50 40 6 6 20 15.5 7 6

ТАБЛИЦА 5.

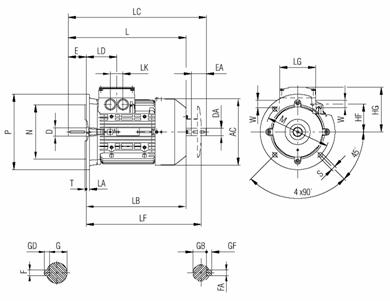
Габаритные и присоединительные размеры электродвигателя 1LA7 с 100 по 160 габарит (IMB3 - лапы)

РИС 3. Габаритные и присоединительные размеры электродвигателя 1LA7 с 100 по 160 габарит (IMB3 - лапы)

Н A AA AB AC B BB C CA HA HD HF K KA
100L 160 42 196 196 140 176 63 125 12 235 78 12 16
112M 190 46 226 219.5 140 176 70 141 12 260 91 12 16
132S 216 53 256 259 140 180 89 163 15 299 107 12 16
132M 216 53 256 259 178 218 89 125 15 299 107 12 16
160M 254 60 300 314 210 256 108 183 18 357 127 15 19
160L 254 60 300 314 254 300 108 139 18 357 127 15 19

ТАБЛИЦА 6.

Н L LC LD LG LK W D DA E EA F FA G GB GD GF
100L 372.5 438 102 120 42 32.3 28 24 60 50 8 8 24 20 7 7
112M 393 461 102 120 42 32.3 28 24 60 50 8 8 24 20 7 7
132S 454 552 128.5 140 42 32.3 38 38 80 80 10 10 33 33 8 8
132M 454 552 128.5 140 42 32.3 38 38 80 80 10 10 33 33 8 8
160M 588 721 160.5 165 54 40.3 42 42 110 110 12 12 37 37 8 8
160L 588 721 160.5 165 54 40.3 42 42 110 110 12 12 37 37 8 8

ТАБЛИЦА 7.

Габаритные и присоединительные размеры электродвигателя 1LA7 с 100 по 160 габарит (IMB5 - фланец)

РИС 4. Габаритные и присоединительные размеры электродвигателя 1LA7 с 100 по 160 габарит (IMB5 - фланец)

Типоразмер AC HF HG L LA LB LC LD LF LG LK M N
100L FF215 196 78 135 372 11 312 438 102 363 120 42 215 180
112M FF215 219.5 219.5 148 393 11 333 461 102 385 120 42 215 180
132M FF265 259 259 167 454 12 374 552 128.5 426 140 42 265 230
160M FF265 259 259 167 454 12 374 552 128.5 426 140 42 265 230
160L FF300 314 314 197 588 13 478 721 160.5 531 165 54 300 250
160M FF300 314 314 197 588 13 478 721 160.5 531 165 54 300 250

ТАБЛИЦА 8.

Н P S T W D DA E EA F FA G GB GD GF
100L 250 14.5 4 32.3 28 24 60 50 8 8 24 20 7 7
112M 250 14.5 4 32.3 28 24 60 50 8 8 24 20 7 7
132S 300 14.5 4 32.3 38 38 80 80 10 10 33 33 8 8
132M 300 14.5 4 32.3 38 38 80 80 10 10 33 33 8 8
160M 350 18.5 5 40.3 42 42 110 110 12 12 37 37 8 8
160L 350 18.5 5 40.3 42 42 110 110 12 12 37 37 8 8

ТАБЛИЦА 9.

Размеры для габарита 56-80 (IMB14 - меньший)

РИС 5. Размеры для габарита 56-80 (IMB14 - меньший)

Типоразмер M N P RA S T
56 FT65 65 50 80 16 M5 2.5
63 FT75 75 60 90 14 M5 2.5
71 FT85 85 70 105 16 M6 2.5
80 FT100 100 80 120 16 M6 3

ТАБЛИЦА 10.

Размеры для габарита 56-80 (IMB14 -больший)

РИС 6. Размеры для габарита 56-80 (IMB14 -больший)

Типоразмер M N P RA S T
56 FT85 85 70 105 16 M6 2.5
63 FT100 100 80 120 16 M6 3
71 FT115 115 95 140 16 M8 3
80 FT130 130 110 160 16 M8 3,5

ТАБЛИЦА 11.

Размеры для габарита 90-100 (IMB14 - меньший)

РИС 7. Размеры для габарита 90-100 (IMB14 - меньший)

Типоразмер M N P RA S T
90 FT115 115 95 140 21 M8 3
100 FT130 130 110 160 20 M8 3.5

 ТАБЛИЦА 12.

Размеры для габарита 90-100 (IMB14 - больший)

РИС 8. Размеры для габарита 90-100 (IMB14 - больший)

Типоразмер M N P RA S T
90 FT130 130 110 160 22 M8 3.5
100 FT165 165 130 200 20 M10 3.5

 ТАБЛИЦА 13.

Размеры для габарита 112-160 (IMB14 - меньший)

РИС 9. Размеры для габарита 112-160 (IMB14 - меньший)

Типоразмер M N P RA S T
112 FT130 130 110 160 20 M8 3.5
132 FT165 165 130 200 24 M10 3.5
160 FT215 215 180 250 16 M12 4

ТАБЛИЦА 14.

Размеры для габарита 112-160 (IMB14 - больший)

РИС 10. Размеры для габарита 112-160 (IMB14 - больший)

Типоразмер M N P RA S T
112 FT165 165 130 200 24 M10 3.5
132 FT215 215 180 250 16 M12 4.0
160 FT265 265 230 300 12 M12 4.0

ТАБЛИЦА 15.

Технические характеристики 1LA7